Расстановка пожарных извещателей по СП 484.1311500.2020 с Изменением № 1
СП 484.1311500.2020 с Изменением №1 (сентябрь 2025)
Статья опубликована в журнале ТЗ №1 2026 год
Можно отметить дальнейшие изменения в направлении гармонизации требований с зарубежными. Наконец-то после более 40 лет копирования таблиц из СНиП 2.04.09-84 исключено сокращение защищаемой площади при увеличении высоты помещения для точечных дымовых и тепловых извещателей, как в зарубежных нормах.
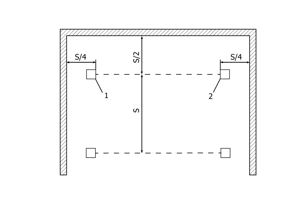
Очевидно, время активации точечного пожарного извещателя зависит от расстояния до очага и в общем случае задается его максимальная величина. Данное представление зоны контроля извещателя позволяет определить расстановку пожарных извещателей в помещении произвольной формы: круглой, овальной, трапецеидальной (рис. 1), причем как с одинарным, так и с двойным контролем каждой точки площади помещения.
Зона контроля точечных извещателей
В п. 6.6.5 СП 484.1311500.2020 Изменением № 1 определено: «Площадь (каждая точка) помещения считается полностью контролируемой автоматическими ИП, если габариты помещения в проекции на горизонтальную плоскость не выходят за рамки зон контроля автоматических ИП конкретного типа… Для точечных ИП зона контроля представляет собой круг. Для аспирационных ИП зоной контроля является совокупность зон контроля воздухозаборных отверстий, которые аналогичны дымовым точечным ИП».
Исключены Таблицы 1, 2 для тепловых и дымовых точечных извещателей, в которых были указаны радиусы зон контроля для помещений различной высоты. Теперь в п. 6.6.15. для тепловых ИП определено: «Точечные тепловые ИП следует применять для защиты помещений высотой до 9 м включительно, при этом радиус зоны контроля точечных тепловых ИП должен составлять не более 3,5 м». Для дымовых в п. 6.6.16: «Точечные дымовые ИП следует применять для защиты помещений высотой до 12 м включительно, при этом радиус зоны контроля точечных дымовых ИП должен составлять не более 6,4 м».
В зарубежных нормах определены бóльшие значения радиусов: для тепловых детекторов радиус равен 5,3 м, для детекторов дыма равен 7,5 м. При этом для дымовых детекторов максимальная высота помещений категории L (защита людей) 10,5 м, максимальная высота помещений категории P (защита имущества) 15 м.
Расстояние между извещателями L при расстановке по квадратной решетке, исходя из радиуса зоны контроля, вычисляется по формуле:
Для дымовых извещателей, исходя из радиуса R = 6,4 м, максимальное расстояние между извещателями L = 9,05 м (рис. 2). Для тепловых извещателей, исходя из радиуса R = 3,5 м, максимальное расстояние между извещателями около L = 4,95 м.
Необходимо отметить различие определений площади, защищаемой пожарным извещателем, в отечественных и в зарубежных нормах. Формулировка в СП 484.1311500.2020 с Изменением №1 п. 6.6.5: «Площадь (каждая точка) помещения считается полностью контролируемой автоматическими ИП, если габариты помещения в проекции на горизонтальную плоскость не выходят за рамки зон контроля автоматических ИП конкретного типа». Такое определение позволяет не учитывать строительные конструкции, например, одним точечным адресным извещателем «защитить» помещение П-образной формы (рис. 3). Однако обнаружение дыма за углом помещения весьма проблематично. Например, дым при переходе из узкого коридора в широкое помещение распространяется в том же направлении с постепенным увеличением сечения в стороны.
Не случайно расстановка извещателей на рисунке 1 произведена таким образом, что любая точка площади помещения находится в прямой видимости до какого-либо извещателя. На рисунке 3 большая часть площади помещения расположена за углами помещения, вне прямой видимости извещателя, но габариты помещения в проекции на горизонтальную плоскость не выходят за рамки зоны контроля дымового точечного извещателя.
В первой редакции СП 484.1311500.2020 п. 6.6.40 отсеки помещения, образованные штабелями, стеллажами и т. д., верхние отметки которых отстоят от потолка на 0,6 м и менее, должны были рассматриваться как отдельные помещения. В СП 484.1311500.2020 с Изменением № 1 п. 6.6.40 отдельные помещения исключены: «штабели материалов, стеллажи, оборудование и строительные конструкции, размещаемые на полу, верхние отметки которых отстоят от потолка на 0,6 м и менее, следует рассматривать как сплошные перегородки на всю высоту помещения при определении места размещения извещателей». Похоже, что при определении защищаемой площади точечного извещателя в виде круга, на эти «сплошные перегородки» теперь можно не обращать внимания. Например, на рисунке 4 изображено помещение со стеллажами, габариты этого помещения в проекции на горизонтальную плоскость не выходят за рамки зоны контроля дымового извещателя в виде круга радиусом 6,4 метра. Реально один дымовой извещатель контролирует только один проход между двумя средними стеллажами и небольшую часть коридора в прямой видимости. Очевидно, для контроля всей площади помещения необходимо поставить минимум по одному извещателю в каждый отсек и еще один извещатель в общий коридор.
Есть п. 6.6.37 про расстояния от извещателей до препятствий: «Расстояния между ИП и объектами, препятствующими распространению дымовых и тепловых потоков в помещении (балки, выступы, оборудование инженерных систем, выступающие светильники, вентиляционные отверстия и т. п.), следует измерять по кратчайшему пути. Расстояние измеряется от центра ИП до ближайшей точки объекта», но он не связан с защищаемой зоной в виде круга.
В зарубежных нормах аналогичное требование определено как расстояние до извещателя, например, «при плоских потолках горизонтальное расстояние между любой точкой в защищаемой зоне и ближайшим к этой точке извещателем не должно превышать: 1) 7,5 м, если ближайший извещатель является дымовым; 2) 5,3 м, если ближайший извещатель является тепловым». Поскольку расстояние измеряется только по прямой, то все точки за углами помещения должны защищаться дополнительными извещателями.
Установка точечных извещателей
Требования пункта 6.6.7 были гармонизированы с зарубежными нормами: «Точечные ИП над подвесным потолком с перфорацией могут использоваться для контроля пространства под этим подвесным потолком при одновременном выполнении следующих условий: - площадь перфорации в проекции на зону контроля ИП составляет не менее 40% от площади зоны контроля ИП; - минимальный размер каждой перфорации в любом сечении — более 10 мм; - толщина перфорации — не более чем в три раза превышает минимальный размер ячейки перфорации». В предыдущей редакции СП 484.1311500.2020 требовалось, чтобы площадь перфорации в проекции на зону контроля ИП составляла не менее 75% от площади зоны контроля ИП.
В СП 484.1311500.2020 с Изменением № 1 изменена формулировка пункта 6.6.9: «При невозможности установки ИП непосредственно на перекрытии допускается их установка на тросах, а также стенах. При установке ИП на стене их следует располагать на расстоянии не менее 100 мм от ИП до угла между стенами, а также до угла между стеной и потолком.
Примечание: графический материал к данному требованию приведен на рисунке Г.1 приложения Г к настоящему своду правил» (рис. 5). Необходимо обратить внимание, что извещатель на стене располагается вертикально, без использования каких-либо кронштейнов для горизонтальной установки. Действительно, дым вдоль потолка распространяется в горизонтальных направлениях, а вдоль стены — параллельно стене. Именно в таком положении извещатели на стенах проходят испытания при обнаружении тестовых очагов по зарубежному стандарту.
Расстояние до строительных конструкций
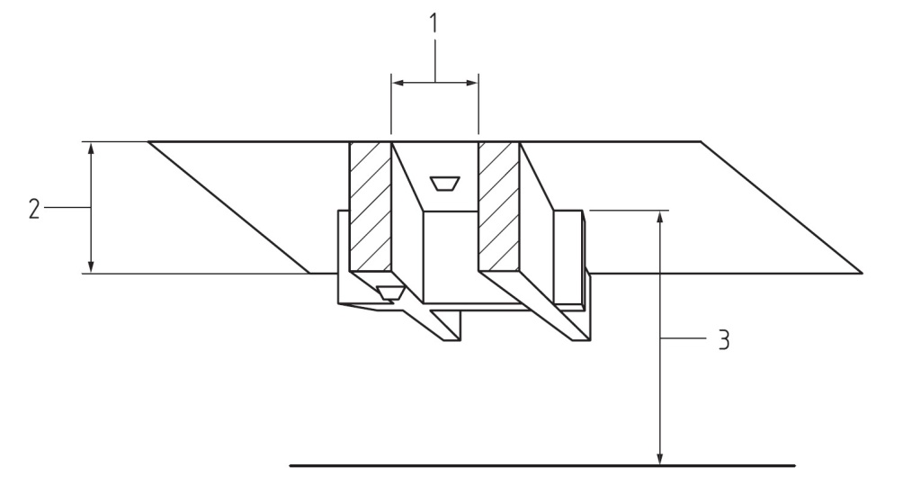
Переформулирован п. 6.6.36: «Минимальное расстояние от точечных ИП и чувствительных элементов теплового линейного ИП до выступающих на 0,25 м и менее от перекрытия строительных конструкций или инженерного оборудования должно составлять не менее двух высот этих строительных конструкций или оборудования (рис. 6). Расстояние от ИП до стен (перегородок), а также других строительных конструкций и до инженерного оборудования, выступающего от перекрытия на расстояние более 0,25 м, должно быть не менее 0,50 м». Таким образом, добавлены чувствительные элементы теплового линейного извещателя.
В зарубежных нормах присутствует дополнительное требование по балкам: препятствия на потолке, такие как несущие балки, высотой более 10% от высоты потолка, следует рассматривать как стены.
В п. 6.6.37 указано, что расстояния между извещателем и объектом, препятствующим распространению дымовых и тепловых потоков в помещении (балки, выступы, оборудование инженерных систем, выступающие светильники, вентиляционные отверстия и т.п.) следует измерять по кратчайшему пути от центра извещателя до ближайшей точки объекта.
Монтаж извещателей на подвесной потолок
Незначительно изменился п. 6.6.11.: «При наличии подвесного потолка ИП могут устанавливаться непосредственно на подвесной потолок или в специальные монтажные комплекты, устанавливаемые на подвесном потолке (плитах или панелях потолка). Возможность использования данных комплектов должна быть предусмотрена ТД на ИП. Монтажные комплекты для натяжных потолков должны крепиться к основному перекрытию при помощи кронштейнов, тросов и т. п. в соответствии с ТД изготовителей монтажных комплектов». Было «на монтажные комплекты».
Балки линейные, продольные и поперечные
При наличии на потолке линейных балок (рис. 7) размещение точечных извещателей (п. 6.6.38) должно соответствовать таблице 6.2. Значения расстояний поперек балок остались без изменений (Таблица 1), а расстояния вдоль балок должны определяться в соответствии с радиусами защищаемой зоны для дымового или теплового извещателя. Расстояния поперек балок определяются диаметром конуса дыма (тепла) на данной высоте и, очевидно, не требуют пересчета.
Если в отсеках, образованных высокими линейными балками, имеются низкие поперечные балки, высота которых менее 10% от высоты помещения, округленной до целого Н, то можно их не учитывать. В соответствии с данными, указанными в первой строчке Таблицы 2 можно считать потолок между линейными балками плоским.
Размещение точечных извещателей при наличии продольных и поперечных балок, определено в п. 6.6.38 и в Таблице 6.3. В соответствии с распространением дыма при наличии препятствий на перекрытии, если ширина ячейки W, образованная балками, равна или меньше четырех высот балки D, то извещатели должны быть установлены на нижних плоскостях балок, если больше четырех высот балки, то на перекрытии (рис. 8).
Глубокие ячейки образуют слабо вентилируемые объемы с холодным воздухом, дым длительное время не доходит до перекрытия, и оптимальное расположение извещателя — на нижней плоскости балки. Чем больше высота помещения, тем большую площадь охватывает конус дыма, что отражено в Таблице 2. Распространение дыма по горизонтали задерживается продольными и поперечными балками, следовательно, радиусы защищаемой площади должны быть меньше по сравнению с радиусами для плоского горизонтального перекрытия.
В Таблице 2 не ясно, отчего именно дано «Максимальное расстояние до ближайшего дымового (теплового) извещателя». На практике эти значения рассматриваются как максимальные расстояния от одного извещателя до ближайшего извещателя. Тогда максимальное расстояние от стены до извещателя будет равно половине этих значений.
Однако дословный перевод этой фразы: «Максимальное расстояние между любой точкой <в защищаемой зоне> и ближайшим датчиком дыма (тепла)», то есть заданы максимальные радиусы защищаемой зоны в зависимости от высоты помещения. Как отмечено выше, при плоском перекрытии в зарубежных нормах максимальное расстояние между любой точкой и ближайшим датчиком дыма (тепла) должно быть не более 7,5 м (5,3 м). Можно было бы перейти к радиусам в таблице 2, пересчитав значения с учетом разницы величин радиусов защиты для дымового извещателя 6,4 м, для теплового извещателя 3,5 м. Коэффициент для дымового извещателя равен 6,4 : 7,5 = 0,853, для теплового извещателя 3,5 : 5,3 = 0,66. Тогда для дымового извещателя при высоте помещения 6 м и более радиус защищаемой зоны при наличии продольных и поперечных балок будет равен 5,54 м, максимальное расстояние между дымовыми извещателями — 7,84 м.
Защита технологических площадок
Сохранены в прежнем виде требования на установку извещателей на технологических площадках: «При наличии в контролируемом помещении коробов, технологических площадок шириной или диаметром L м и более, имеющих сплошную конструкцию, отстоящую по нижней отметке от потолка на расстояние более 0,4 м и не менее 1,3 м от плоскости пола, под ними необходимо дополнительно устанавливать ИП. При применении тепловых извещателей L = 1,0 м. При применении дымовых извещателей L = 2,0 м». (п. 6.6.39). Очевидно, в этом случае точечным извещателем защищается только технологическая площадка, а не проекция на горизонтальную площадь в виде круга.
Линейные дымовые извещатели
Для дымовых линейных извещателей требования по ширине защищаемой зоны, равной 9 м, по максимальной высоте защищаемого помещения, равной 21 м, и по расстоянию от перекрытия до оптической оси до 600 мм остались без изменений (п. 6.6.18). Также сохранилась возможность установки линейных дымовых извещателей на произвольной высоте h с расстояниями между оптическими осями не более 25% от высоты установки извещателей, от стены – не более 12,5% (рис. 9). Остался запрет установки линейных дымовых извещателей на сэндвич-панели.
Введена возможность размещения излучателя (излучателя/приемника) и приемника (отражателя) на перекрытии на расстоянии от стен не более 2,25 м с иллюстрацией на рисунке Г.2 в приложении Г (рис. 10).
Линейные тепловые извещатели
Для линейных тепловых извещателей зона контроля равна двум радиусам точечных извещателей (п. 6.6.5). Соответственно, теперь при радиусе защищаемой зоны 3,5 м, максимальное расстояние между линейными тепловыми извещателями равно 3,5 м × 2 = 7 м (рис. 11) при высоте помещений до 9 м максимум. Естественно, это положение не распространяется на многоточечные линейные тепловые извещатели, защищаемая зона которых представляется как совокупность зон контроля точечных тепловых извещателей.
Многоточечные тепловые извещатели
Защищаемая зона многоточечного теплового извещателя является совокупностью зон контроля точечных тепловых извещателей. Если расстояние между чувствительными элементами равно S метров, то расстояние между многоточечными тепловыми извещателями L должно быть не более:
Например, если чувствительные элементы распределены через S = 4 метра, то ширина зоны контроля многоточечного теплового извещателя равна L = 5,74 метра (рис. 12).
Аспирационные дымовые извещатели
Радиус зоны контроля воздухозаборного отверстия в СП 484.1311500.2020 с Изменением № 1 стал равен 6,4 м, как у дымового точечного извещателя (п. 6.6.23). Отверстия в трубах аспирационного извещателя можно располагать по квадратной или по треугольной решетке. Кроме того, при увеличении числа отверстий в трубах можно значительно увеличить расстояния между трубами. Например, если отверстия расположить через 4,5 м, то при радиусе зоны контроля 6,4 м расстояние между трубами можно увеличить до 12 м, расстояние от стены – до 6 м (рис. 13).
В общем случае можно определить расстояния между отверстиями в трубах для обеспечения требуемого расстояния между трубами. Расстояние между трубами может выбираться как больше 9 метров, так и меньше 9 метров. При расстоянии между трубами равном L метров, расстояние между отверстиями в трубах S должно быть не более:
Обратно, если расстояние между отверстиями в трубах равно S метров, то расстояние между трубами L должно быть не более: (формула справа). Проверка для выбранных расстояний должна выполняться: (см. ниже).
В крайнем случае можно воспользоваться допущением, приведенном в СП 484.1311500.2020 с Изменением № 1 п. 5.22: «Численные значения, регламентируемые в настоящем своде правил, могут быть увеличены, но не более чем на 5%».
Диапазон расстояний от перекрытия до воздухозаборных отверстий: минимальное расстояние не регламентируется, что позволяет использовать капиллярные комплекты с плоской насадкой, максимальное расстояние от перекрытия равно 0,9 м, то есть в 1,5 раза больше, чем для дымовых точечных и линейных извещателей.
В п. 6.6.23 сохранена для аспирационных извещателей класса А максимальная высота защищаемого помещения 30 м, для класса В – 18 м, для класса С – 12 м и защита аспирационными извещателями высокостеллажных складов высотой до 40 м, в два уровня: на высоте не более 30 м (под ярусами стеллажей) извещателями не ниже класса B и под перекрытием извещателями класса А. Очевидно, защита в два яруса должна выполняться во всех высокостеллажных складах, независимо от высоты помещения. Необходимо отметить, что защита высокостеллажных складов возможна только аспирационными извещателями. В своде правил СП 5.13130.2009 было ограничение в п. 1.3: «Настоящий свод правил не распространяется на проектирование автоматических установок пожаротушения и пожарной сигнализации: …— зданий складов с высотой складирования грузов более 5,5 м». В сводах правил СП 484.1311500.2020 это ограничение исключено, поскольку было введено требование по защите высотных складов аспирационными извещателями.
Отметим, что в СП 484.1311500.2020 с Изменением № 1 дана ссылка на ГОСТ 34698, в котором требования по ИПДА класса А, класса В и класса С существенно отличаются от требований в ГОСТ Р 53325, что подробно было рассмотрено в статье «Аспирационные извещатели по ГОСТ Р 53325-2012 и по ГОСТ 34698-2020» (Журнал «Технологии защиты» №5 2025).
Защита ЦОД
Сохранена формулировка п. 6.6.32 с возможностью размещения воздухозаборных отверстий аспирационных извещателей на решетках входа горячего воздуха в системы прецизионного кондиционирования (рис. 14), в местах выхода горячего воздуха из активного оборудования, под перекрытиями изолированных «горячих» коридоров, в местах входа горячего воздуха в установки межстоечного кондиционирования (рис. 15, 16), на воздухозаборных решетках систем вытяжной вентиляции из расчета одно отверстие на 0,4 м². Расстояние от воздухозаборных отверстий до воздухозабора (вентиляционного отверстия) должно регламентироваться величиной допустимой скорости воздушного потока в соответствии с техническими характеристиками аспирационного дымового извещателя.
Сравнительно недавно появились прецизионные кондиционеры, которые встраиваются в ряды стоек, они обеспечивают забор воздуха из горячего коридора по всей его высоте одновременно, например, на рис. 16 прецизионные кондиционеры выделены красным фоном. При таких условиях образуются горизонтальные воздушные потоки и контроль воздушной среды в верхней части горячего коридора становится неэффективным. Чтобы обеспечить возможность обнаружения задымления на выходе любого блока в стойке, перед входами горячего воздуха в межстоечные кондиционеры располагаются трубы с 4–5 отверстиями на каждую трубу.
Алгоритмы принятия решения о пожаре
Переформулированы алгоритмы принятия решения о возникновении пожара в зоне контроля пожарной сигнализации: А, В или С (п.п. 6.4.1 – 6.4.5). В п. 6.4.1 добавлены ручные извещатели: «Также принятие решения о возникновении пожара должно осуществляться при срабатывании ИПР (с учетом положений раздела 7 настоящего свода правил). Для разных частей (помещений) объекта допускается использовать оба способа принятия решения о пожаре. Для разных ЗКСПС одного помещения допускается использовать разные алгоритмы».
Алгоритм А – формирование сигнала «Пожар» при срабатывании одного пожарного извещателя без перезапроса.
Алгоритм В – при срабатывании автоматического извещателя и в дальнейшем при повторном срабатывании этого же ИП за время не более 60 с, после процедуры перезапроса или при срабатывании другого автоматического извещателя в той же ЗКСПС за время не более 60 с от момента срабатывания первого извещателя.
Алгоритм С – формирование сигнала «Пожар» при срабатывании одного автоматического извещателя и второго автоматического извещателя в той же или в другой ЗКСПС, расположенной в этом помещении. Ограничение по времени срабатывания второго извещателя не указано.
При наличии от одного или нескольких неисправных адресных извещателей в помещении допускается формировать сигнал «Пожар» при срабатывании одного адресного извещателя. В случае безадресных извещателей, включенных в разные, но взаимозависимые линии связи одной зоны, если есть неисправность одной линии связи или нескольких из них допускается формировать сигнал «Пожар» при срабатывании одного безадресного автоматического извещателя. Таким образом, в этом случае сигнал неисправность может быть приравнен к сигналу «Пожар».
Выбор конкретного алгоритма возлагается на проектную организацию. Алгоритмы А и В могут применяться только для ЗКСПС, которые не формируют сигналы управления АУП. Требование обязательного использования алгоритма С для формирования сигналов управления СОУЭ 4–5 типов исключено.
Число извещателей в помещении
Остался без изменений п. 6.6.1 с требованиями по минимальному числу извещателей в помещении: при реализации алгоритмов принятия решения о возникновении пожара А и В каждая точка площади помещения должна контролироваться не менее чем одним адресным извещателем или не менее чем двумя безадресными извещателями. Соответственно, минимальное число извещателей в помещении при реализации алгоритмов А и В – это один адресный извещатель или два безадресных извещателя с одинарным и двойным контролем площади соответственно.
При реализации алгоритма С минимальное число извещателей адресных и безадресных – два, с двойным контролем площади. Таким образом, приведенные выше примеры расстановки с контролем каждой точки площади помещения одним извещателем допускаются только при реализации алгоритмов принятия решения о возникновении пожара А или В, только с использованием адресных извещателей.

